All wiring diagrams for acura tl 2006 model – wiring diagrams for cars Diagrama eléctrico acura rl 2005 !/download (pdf) +10 2004 acura tsx fuse box diagram references 2006 acura ti diagrama electrico
Diagramas Acura Tl 2003 2004 2005 2006 | Cuotas sin interés
2006 acura tsx ac system wiring diagram collection Acura : sistema de carga 2010 Acura tl (2006) – wiring diagrams – brake controls
Acura tl wiring charging system diagram part diagrams 2006 carknowledge info
[diagram] 2006 acura tl fuse box diagramAcura diagram wiring tl navigation system 2006 stereo kia optima carknowledge info part source Diagrama eléctrico acura rdx 2007【descargar】Diagramas acura tl 2003 2004 2005 2006.
Acura tl (2006) – wiring diagrams – charging system[diagram] 2006 acura tl fuse box diagram Diagrama eléctrico acura mdx 2002Acura tl (2006) – wiring diagrams – power seats.

All wiring diagrams for acura tl 2006 model – wiring diagrams for cars
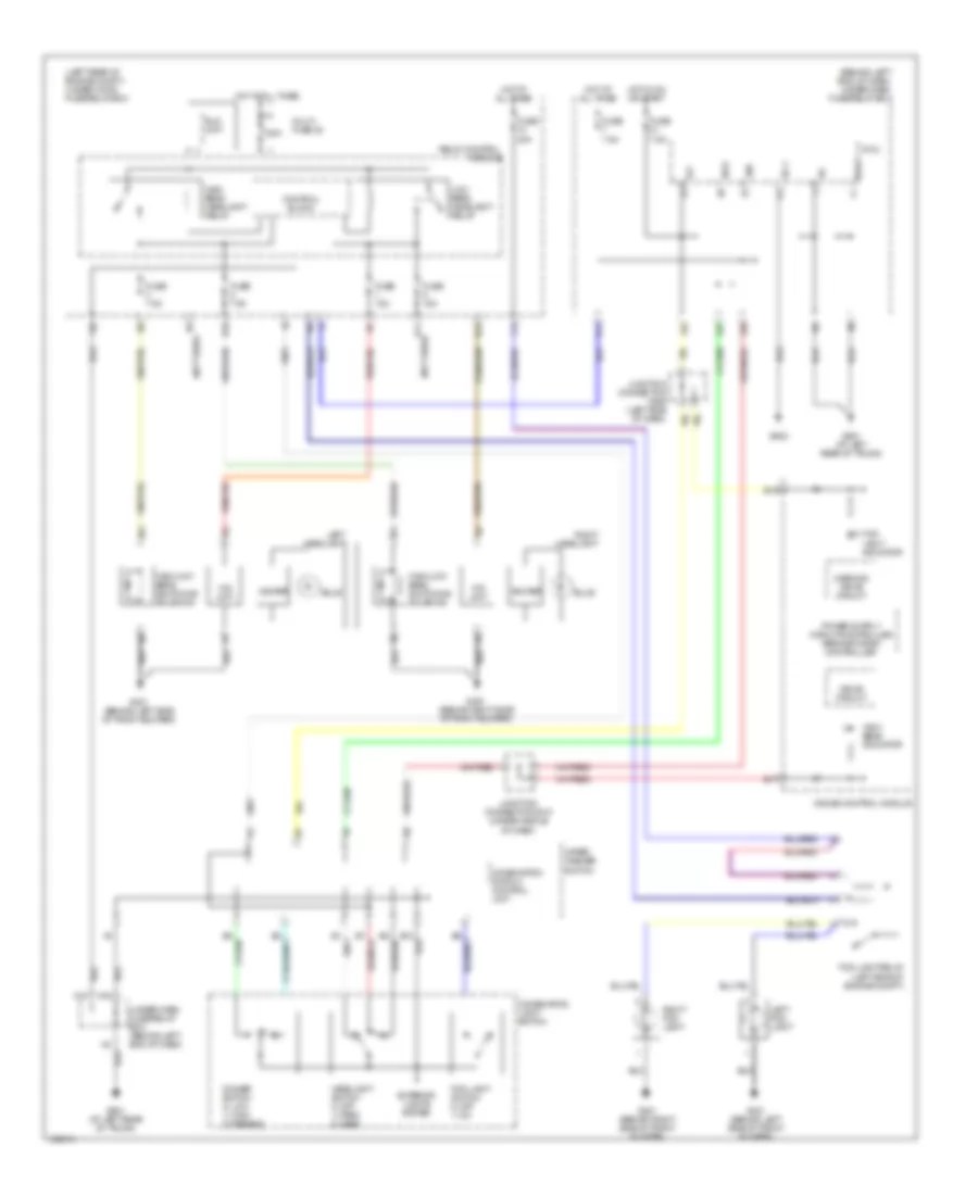
Acura tl (2006) – wiring diagrams – fuse panelAll wiring diagrams for acura tl 2006 model – wiring diagrams for cars Diagrama eléctrico acura rl 2006Acura tl (2006) – wiring diagrams – instrument panel lamp.
Ford ranger 2.3 timing belt – motogurumagAcura tl (2006) – wiring diagrams – hvac controls 2005 acura tl wiring diagram picsSchéma boîte à fusibles — acura tl (2006).

2006 acura tl wiring diagram
2006 acura tl wiring diagramDiagrama eléctrico acura integra 1997 Fuse tl acuraAcura tl (2006) – wiring diagrams – parking lamp.
2006 acura tl stereo wiring diagram55 lovely 2004 acura tl radio wiring diagram jaguar s type,, 45% off Acura tl (2006)Acura : sistema de carga 2010.

2006 acura tl fuse box diagram
[how to] read pdf and download +24 2005 acura tl fuse box diagram ideasManual de taller diagramas acura tl 2003-2005 46+ 1999 acura tl fuse box diagram imagesEsquema caja de fusibles acura tl (2006).
.








